24小时服务热线:
0755-33880929
当前位置 :首页 >新闻资讯 >半岛平台官方网站下载安装 >内容介绍
如何有效降低电源适配器的输出波纹噪声,电源生产厂家Flypower分享
发布时间:2017-12-24 | 文章来源:飞天鹰科技原创
分享到:

波纹噪声是衡量电源适配器质量好坏的一个重要指标,一个好的电源适配器必须要把输出纹波噪声控制在一个合理的范围内。作为一名在Flypower 电源适配器厂家工作的电子工程师,今天就简单和大家分享一下我们厂是如何有效的控制电源适配器的波纹输出的。


在设计电源产品时,有5个方法可以降低电源输出纹波噪声。

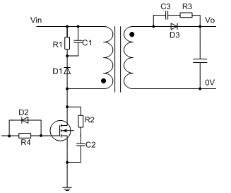
一、场效应管D级与输入正之间加RCD。一般选择场效应管的反向恢复时间要比二极管D1慢2~3倍,以避免形成直通电流,此电流会产生很强的磁场,可增大输出噪声干扰,所以可人为的通过栅极电阻R4来减慢开关管的开关速度。为了不影响关断速度可以在栅极电阻并联一个二极管D2如图1所示。

 


二、电源PCB走线和布局。反馈线路应避开磁性元件、开关管及功率二极管。输出滤波电容放置及走线对纹波噪声至关重要,如图2所示,传统设计中由于到达每个电容的阻抗不一样,所以高频电流在三个电容中分配不均匀,改进设计中可以看出每个回路长度相当即高频电流会均匀分配到每个电容中。


三、输出加二级LC滤波。LC对噪声和纹波抑制效果比较明显,根据纹波频率选择合适电感电容值,但由于柱形电感价格低体积小的优点,所以一般LC中电感大都会选择柱形电感,然而柱形电感是开放式磁结构,对周围会产生较严重磁干扰,我们可以采用两个电感并排放置,且电流流入方向相反,即有助于引导磁通从一个磁柱到另一个磁柱,从而可以降低电磁干扰,如图3所示


四、降低变压器漏感。采用三明治绕法可使初次级绕组耦合更加紧密,使漏感得以减小,从而到达减小噪声的目的。

五、输出二极管两端并联RC。二极管在高速导通和关断时,反向恢复期间,二极管的寄生电感和电容会产生高频振荡,为了抑制高频振荡可在二极管两端加RC缓冲电路如图2所示,电阻R3一般在1Ω~100Ω,电容C3一般在100pF~1nF,如果电源工作频率较低,效率满足要求的话,二极管D3可以选择反向恢复时间较慢的二极管。


通过这些设计,就可以有效的把电源适配器的输出波纹噪声控制在合理的范围之内,做为一个有15年生产经验的电源生产厂家,Flypower有着非常成熟的电源研发生产经验。更多的电源知识可以关注我们的官网。


服务热线:0755-33880929      13823308637
Baidu
map